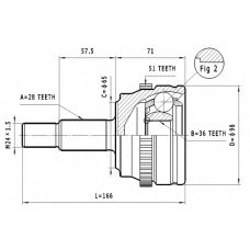
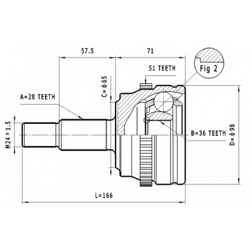
C.372 STATIM Шарнирный комплект, приводной вал

C.372 STATIM Шарнирный комплект, приводной вал
Производитель: STATIM
Артикул: C.372
   - ИЛИ -   

C.372 STATIM Шарнирный комплект, приводной вал


Сторона установки NULL
Тип соединения / сочленения NULL
Внешнее зацепление со стороны колеса 28
Внутренне зубчатое соединение со стороны колеса 36
Диаметр прокладки [мм] 64,5
Наружный диаметр [мм] 102
Число зубцов кольца ABS 51

Оставить отзыв

Ваше Имя:


Ваш Отзыв: Примечание: HTML не поддерживается!

Рейтинг: Плохо            Хорошо

Введите код указанный ниже:



Тэги: ,

JAPANCARS.RU
JapanCars.ru - Дмитровка © 2025